
■ 概述
ZZC(V)自力式差(微)压调节阀是一种不需要外加能源的执行器产品。可用于公称压力PN01,PN10。差(微)压均可分段调节。从50mm.W.C至0.1MPa。其用途十分广泛,可用于工业燃烧炉系统。控制两种物料,如煤气、空气流量配比,以达理想燃烧。用于氢冷发电组密封油系统,控制密封油与氢气间压力差,以确保可靠密封。当差压阀的低压端通大气即为微压阀(差压阀负压,端压,力为零)。
■ 特点
﹡无需停止生产即进行设定值的调整;
﹡无填料,阀杆上、下活动时不存在磨擦,上密封绝对可靠;
﹡执行机构敏感元件灵敏,极微小的压力变化会被感测出来;
﹡阀体为四通形式,因而K、B型可通用一种阀体。
■ 主要技术参数和性能指标(表一)
| 公称通径DN(mm) | 20 | 25 | 32 | 40 | 50 | 65 | 80 | 100 | |
|
额定流量 系效Kv |
ZZCP / ZZVP | 8 | 11 | 20 | 32 | 50 | 80 | 100 | 160 |
| ZZCN | 53 | 83 | |||||||
| 额定行程(mm) | 6 | 8 | 10 | 15 | 20 | ||||
| 公称压力PN(MPa) | 0.10 1.0 | ||||||||
| 差压调节范围(kPa) |
0.5~5.5 5~10 9~14 13~19 18~24 22~28 26~33 31~38 36~44 42~51 49~58 56~66 64~78 76~90 8~100 |
||||||||
| 介质温度(℃) | ≤80 | ||||||||
| 调节精度(%) | ≤10 | ||||||||
|
允许泄漏 量(l/h) |
ZZCP / ZZVP | 10-4×阀额定容量(Ⅳ级) | |||||||
| ZZCN | 5×10-3×阀额定容量(Ⅱ级) | ||||||||
注:1. ZZCP/ZZVP公称压力为0.1MPa,ZZCN为1.0MPa
2. ZZCN差压调节范围为36~4488~100kPa
■ 主要零件材料(图三、四、表二)
■ 表二
| 图号、序号 | 零件名称 | 材 料 |
|
图三.9 图四.10 |
阀 体 |
HT200、ZG230-450 ZG1Cr18Ni9Ti、ZG0Cr18Ni12Mo2Ti |
|
图三.7 图四.9 |
阀 芯 | 0Cr18Ni12Mo2Ti、1Cr18Ni9Ti |
|
图三.8 图四.12 |
阀 座 | 0Cr18Ni12Mo2Ti、1Cr18Ni9Ti |
|
图三.3 图四.4 |
弹 簧 | 60Si2Mn、1Cr18Ni9Ti、50CrvA |
| 图三.5 | 波 纹 管 | 1Cr18Ni9Ti |
| 图四.5.6 | 膜 片 | 丁腈、耐油橡胶、氟橡胶 |
■ 差(微)调节范围确定
差(微)压调节范围分段,见表一。控制点应选取在相应差压调节范围的中间值附近。
■ 整机作用方式确定
差(微)压调节阀有B型和K型两种。B型阀阀芯初始位置常开,差(微)压增大时闭合。K型阀阀芯初始位置常闭,差(微)压增大时开启。
■ 应用例
A.氢冷发电机组密封油系统;
B.风机加热系统循环风量控制;
C.两种气体流量的配比控制;
D.泵旁路调节
■ 表三(单位:mm)
| DN | 20 | 25 | 32 | 40 | 50 | 65 | 80 | 100 | |
| A | 308 | 394 | 308 | 394 | 308 | 394 | 394 | 394 | |
| H | ZZCP / ZZVP | 376 | 465 | 365 | 445 | 445 | 490 | 490 | 510 |
| ZZCN | 536 | 536 | |||||||
| L | ZZCP / ZZVP | 150 | 160 | 180 | 200 | 290 | 290 | 310 | 350 |
| ZZCN | 222 | 222 | |||||||
| 重量G(Kg) | 12 | 13 | 15 | 17 | 20 | 38 | 38 | 43 | |
| 导压管螺纹接头 | M16×1.5 | ||||||||
单位:mm
|
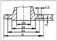
■ 法兰尺寸(表四)
|
公称通径DN | 20 | 25 | 32 | 40 | 50 | 65 | 80 | 100 | |
| D |
PN01 PN10 |
105 | 115 | 145 | 150 | 165 | 185 | 200 | 220 | |
| D1 |
PN01 PN10 |
75 | 85 | 100 | 110 | 125 | 145 | 160 | 180 | |
| b |
PN01 PN10 |
16 | 18 | 20 | 22 | |||||
| n-Φ |
PN01 PN10 |
4-14 | 4-18 | 8-18 | ||||||
| Ff1×D2 |
PN01 PN10 |
2×56 | 3×65 | 3×76 | 3×84 | 3×99 | 3×118 | 3×132 | 3×156 | |
■ 型号编制
例1:
050ZZCP-01BS0/5-10C表示阀口径为50mm的自力式差压单座调节阀,公称压力0.1MPa,阀芯初始位置常开,连接法兰按生产厂标准,无可选件,差压调节范围为5-10kPa,阀体材质为ZG230-450。
例2:
065ZZCN-10BU0/42-51P316表示阀口为65mm自力式差压双座调节阀,公称压力0.1MPa,阀芯初始位置常开,连接法兰按用户提出。无可选件,差压调节范围为42~51kPa,阀体材质为ZG0Cr18Ni12Mo2Ti。
查看PDF版本:
ZZC(V)自力式差(微)压调节阀.pdf