
■ 概述
ZZYP(M 、N)型自力式减压阀组不是孤零零安装在管道上,而是配合其它阀门或管道联合安装在系统中,通常有单路减压和双路减压两种。用户可以根据需要订购。
■ 单路减压
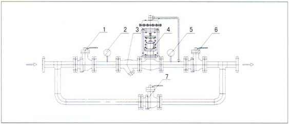
一、用于各种气体及低粘度液体的减压
1、阀前手动球阀 2、阀前压力表 3、过滤器(介质确认无颗粒可省略)
备注:1、根据需要,阀组后还可安装止回阀、安全阀(是否允许而定)
2、旁通管可根据现场空间布置在与自力式阀同一水平面上或同一垂直面上
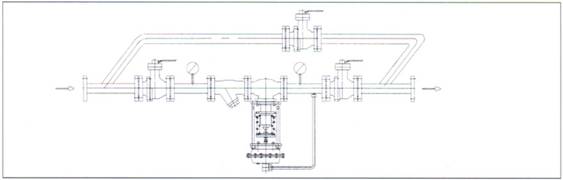
二、用于各种高粘度液体的介质减压
相对于气体减压而言,只是自力式倒装而已
用于蒸汽减压的自力式
冷凝器使用前请灌满冷水
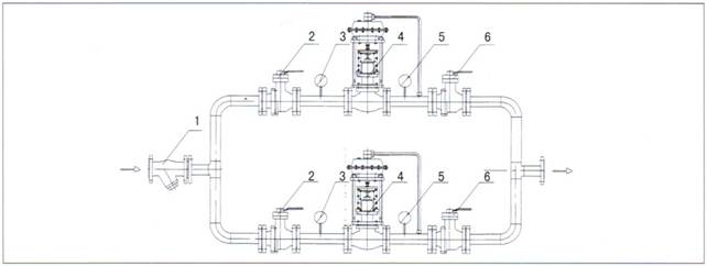
■ 双路减压
双路减压只用在工况特别重要,系统不允许出故障的系统中,平常一路工作,一路关闭备用,只要流量足够,不需要同时开启两路减压,以免出现阀开度过小产生震荡和噪声影响阀使用寿命。
一、用于各种气体及低粘度液体的减压
1、过滤器 2、手动球阀 3、压力表 4、自力式压力调节阀 5、压力表 6、手动球阀(安装时件 1 前用户自配手动球阀)
二、用于各种高粘度液体介质的减压
同气体减压,只是自力式阀门倒装便可
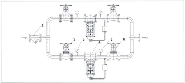
三、用于蒸汽减压的自力式双路阀组
安装时件 1 前用户自配手动截止阀
■ 设计、安装减压阀组注意事项
安装时,应注意以下几点:
(1)阀在气体或低粘度液体介质中使用时,通常ZZY型自力式压力调节阀为直立安装在水平管上,当位置空间不允许时才倒装或斜装。
(2)阀在蒸汽或高粘度液体介质中使用时,通常ZZY型自力式压力调节阀为倒立安装在水平管上,冷凝器(蒸汽用自力式)应高于调压阀的执行机构而低于阀前后接管。使用前冷凝器应灌满冷水,以后约 3个月灌水 一次。
(3)取压点应取在调压阀适当位置,阀前调压应大于2倍管道直径,阀后调压应大于6倍管道直径。
(4)为便于现场维修及操作,调压阀四周应留有适当空间。
(5)当介质为洁净气体或液体时,阀前过滤器可不安装。
(6)调压阀通径过大(DN≥100 时),应有固定支架。
(7)当确认介质很洁净时,件3可不安装。
(8)位置实在不允许时,旁通阀(手动)可以省略(我们不推荐) 。
(9)阀组后根据需要用户可选配止回阀、安全阀等。
(10)自力式阀根据计算通径可以小于管道直径,而截止阀、切断球阀、旁通阀、过滤器则不能小于管道直径。
■ 外形尺寸
减压阀组关键是总长L的确定,至于自力式阀门的尺寸见ZZYP(M 、N)篇
以控制蒸汽为例,控制其它介质总长类同,当然,尺寸L用户也可根据需求定
| DN | L | |
| PN16/25/20/40 | PN50/60/100/110 | |
| 20/G¾″ | 1433 | 1673 |
| 25 | 1463 | 1673 |
| 32 | 1652 | 1812 |
| 40 | 1862 | 2042 |
| 50 | 2043 | 2253 |
| 65 | 2582 | 2732 |
| 80 | 2642 | 2852 |
| 100 | 3073 | 3313 |
| 125 | 3580 | 3880 |
| 150 | 3970 | 4180 |
| 200 | 4750 | 4900 |
| 250 | 5640 | 5775 |
| 300 | 6450 | 6600 |
查看PDF版本:
ZZYP(M 、N)自力式减压阀组.pdf