
■ 概述
710E系列高性能蝶阀(简称高性能蝶阀)阀板与密封圈采用独特的偏结构,具有结构紧凑、切断性能好、使用寿命长等特点,兼备调节和切断两种功能。广泛使用于化工、电力、轻纺、食品、医药、造纸等工业部门及市政工程、水厂等管道对自来水、污水、油类液体或空气、煤气、天然气、水蒸汽的介质进行截止或调节流量控制。

本系列产品公称压力等级0.6、1.0、1.6、4.0MPa;适用流体温度范围-60~450℃:金属密封型密封等级为Ⅳ级,软密封型为Ⅵ级,达零泄漏;流量特性为近似等百分比。
■ 特点
·阀体采用整体铸造技术,结构紧凑,体积小、重量轻。
·阀板双偏心安装,关闭时,阀板向外扩张.达到最佳周边密封状态;打开时,阀板与密封圈迅速脱离,有效防止密封圈磨损;
·密封圈设计新颖、简明、免维修:
·密封圈形式有软密封和金属密封两种可选择,以满足不同工况要求;
·由于采用偏心结构,大大减小了操作扭矩;
·流阻小,额定流量系数大,约为同口径单座阀的3倍;
·自清洗能力强,使用寿命长;
·阀采用无法兰结构,工艺管道采用对夹式安装;
·三大类标准执行机构(气动活塞式、气动薄膜式和电动)可互换。

■ 主要零件材料
阀 体:ZG230-450、ZG1Cr18Ni9Ti
阀 板:ZG1Cr18Ni9Ti
阀 轴:3Cr13、ZG1Cr18Ni9Ti
压 圈:ZG230-450、1Cr18Ni9Ti
密封圈:增强聚四氟乙烯、1Cr18Ni9Ti、17-4PH
填 料:聚四氟乙烯、柔性石墨
导向套:QA19-4、0Cr18Ni9、复合材料
支 架:ZG230-450
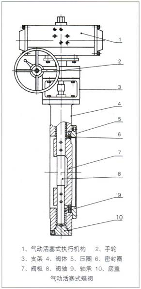
气动活塞式执行机构采用双活塞齿轮条机构,具有结构小、输出大、动作准确、单作用与双作用互换性强等优点。
■ 基本结构及密封圈形式
|
|
|
|
|
偏心蝶阀设计有二处偏心;阀板的旋转轴偏离阀板密封的截面中心(a);旋转轴偏离管道中心(b)。 开启时,阀板密封面上各点同时脱离密封圈;阀板转动与密封之间无挤压现象。提高了密封圈的寿命。使密封面保持-可自动调整的最佳效果。采用橡胶和增强聚强四氟乙烯密封圈,泄漏等级为Ⅵ级,达到零泄漏。弹性金属不锈钢密封圈,可用于高温及其它较苛刻的场合。 |
■ 主要性能指标
表一
|
序号 |
项目 |
气动蝶阀 |
电动蝶阀 |
||
|
配气动薄膜式执行器 |
配气动活塞式执行器 |
||||
|
1 |
基本误差<(1%) |
±2.0 |
±2.5 |
±2.5 |
|
|
2 |
回差<(1%) |
2.0 |
2.5 |
2.0 |
|
|
3 |
死区(1%) |
1.0 |
2.0 |
3.0 |
|
|
4 |
始终点偏差<(1%) |
始点 |
±2.0 |
±2.0 |
±1.5 |
|
终点 |
|||||
|
5 |
额定转角偏差<(1%) |
±2.5(两位式为±6) |
±0.5 |
||
|
6 |
额定流量系数偏差<(1%) |
±10 |
|||
注:本产品性能指标贯彻GB/T-4213
■ 规格与技术参数
表二
|
公称通径DN(mm) |
50 |
65 |
80 |
100 |
125 |
150 |
200 |
250 |
300 |
350 |
400 |
450 |
500 |
600 |
700 |
800 |
900 |
1000 |
1200 |
||
|
额定流量系数Kv |
100 |
150 |
200 |
405 |
620 |
1150 |
2030 |
3150 |
4550 |
6200 |
8100 |
10260 |
13500 |
19800 |
27000 |
35700 |
44600 |
55080 |
81000 |
||
|
公称压力PN(MPa) |
0.6 1.0 1.6 4.0 (DN50~400) |
||||||||||||||||||||
|
流量特性 |
近似等百分比 |
||||||||||||||||||||
|
额定转角(°) |
80 |
||||||||||||||||||||
|
气动薄膜式 |
详见表5~8 |
||||||||||||||||||||
|
配 |
气 |
单作用型号 |
|||||||||||||||||||
|
电 |
代号 |
||||||||||||||||||||
|
转矩 |
|||||||||||||||||||||
|
气源压力(MPa) |
0.25~0.4(气动薄膜式)、0.4~0.6(气动活塞式) |
||||||||||||||||||||
|
电源(电动) |
220V.AC或380V.AC |
||||||||||||||||||||
|
气动薄膜式弹簧 |
40~200、80~240 |
||||||||||||||||||||
|
输入信号 |
4~20mA、0~10mA、1~5V.DC或以上信号分程控制 |
||||||||||||||||||||
■ 整机工作温度范围·阀座泄漏量
阀体材质为铸钢(表3)
|
阀体 |
|||||
|
阀板 |
1Cr18Ni9Ti |
1Cr18Ni9Ti |
1Cr18Ni9Ti |
1Cr18Ni9Ti |
1Cr18Ni9Ti |
|
密封圈 |
橡胶 |
增强四氟乙烯 |
不锈钢 |
不锈钢 |
不锈钢 |
|
压圈 |
1Cr18Ni9Ti |
1Cr18Ni9Ti |
1Cr18Ni9Ti |
1Cr18Ni9Ti |
1Cr18Ni9Ti |
|
填料 |
聚四氟乙烯 |
聚四氟乙烯 |
聚四氟乙烯 |
柔性石墨 |
柔性石墨 |
|
垫片 |
×B450/F4 |
×B450/F4 |
×B450/F4 |
石墨缠绕垫片 |
石墨缠绕垫片 |
|
泄漏等级 |
Ⅵ级 |
Ⅵ级 |
Ⅳ级 |
Ⅳ级 |
Ⅴ级 |
|
阀座泄漏量(l/h) |
微气泡级① |
微气泡级① |
10-4×Kv |
10-4×Kv |
1.8×10-7△P×D |
|
工作温度(℃) |
-20~160 |
-20~200 |
-20~200 |
-20~250 |
-20~450 |
注:
1) ①气泡数量详见GB/T4213;
2) △P为阀前后压差以Kpa为单位;
3) D为阀座直径,以mm为单位。
阀体材质为不锈钢(表4)
|
阀体 |
ZG1Cr18Ni9Ti |
||||
|
阀板 |
1Cr18Ni9Ti |
1Cr18Ni9Ti |
1Cr18Ni9Ti |
1Cr18Ni9Ti |
1Cr18Ni9Ti |
|
密封圈 |
橡胶 |
增强四氟乙烯 |
不锈钢 |
不锈钢 |
不锈钢 |
|
压圈 |
1Cr18Ni9Ti |
1Cr18Ni9Ti |
1Cr18Ni9Ti |
1Cr18Ni9Ti |
1Cr18Ni9Ti |
|
填料 |
聚四氟乙烯 |
聚四氟乙烯 |
聚四氟乙烯 |
柔性石墨 |
柔性石墨 |
|
垫片 |
×B450/F4 |
×B450/F4 |
×B450/F4 |
石墨缠绕垫片 |
石墨缠绕垫片 |
|
泄漏等级 |
Ⅵ级 |
Ⅵ级 |
Ⅳ级 |
Ⅳ级 |
Ⅴ级 |
|
阀座泄漏量(l/h) |
微气泡级① |
微气泡级① |
10-4×Kv |
10-4×Kv |
1.8×10-7△P×D |
|
工作温度(℃) |
-20~160 |
-20~200 |
-40~200 |
-40~250 |
-60~450 |
注:
1) ①气泡数量详见GB/T4213;
2) △P为阀前后压差以Kpa为单位;
3) D为阀座直径,以mm为单位。
■ 流量特性曲线
■ 允许压差
表5配用气动薄膜式执行机构允许压差(单位:MPa)
|
DN |
执行机构 |
ZMA-5 |
ZMA-6 |
ZMA-7 |
ZMA-8 |
||||
|
弹簧范围(MPa) |
40~200 |
80~240 |
40~200 |
80~240 |
40~200 |
80~240 |
40~200 |
80~240 |
|
|
50 |
软密封 |
1.6 |
3.6 |
||||||
|
金属密封 |
0.2 |
1.0 |
1.6 |
||||||
|
65 |
软密封 |
0.6 |
2.5 |
||||||
|
金属密封 |
0.6 |
1.0 |
2.5 |
||||||
|
80 |
软密封 |
0.2 |
2.2 |
||||||
|
金属密封 |
0.2 |
0.6 |
2.0 |
||||||
|
100 |
软密封 |
1.6 |
2.5 |
||||||
|
金属密封 |
0.2 |
1.6 |
|||||||
|
125 |
软密封 |
0.4 |
0.8 |
2.2 |
|||||
|
金属密封 |
0.4 |
0.8 |
2.5 |
||||||
|
150 |
软密封 |
0.5 |
1.6 |
2.5 |
|||||
|
金属密封 |
0.3 |
0.6 |
2.0 |
||||||
|
200 |
软密封 |
0.6 |
1.0 |
2.5 |
|||||
|
金属密封 |
0.1 |
0.6 |
1.0 |
2.5 |
|||||
|
250 |
软密封 |
0.4 |
1.0 |
2.0 |
|||||
|
金属密封 |
0.3 |
0.6 |
2.0 |
||||||
|
300 |
软密封 |
0.6 |
1.1 |
2.5 |
|||||
|
金属密封 |
0.3 |
1.0 |
|||||||
|
350 |
软密封 |
0.3 |
0.6 |
1.8 |
|||||
|
金属密封 |
0.6 |
||||||||
|
400 |
软密封 |
0.4 |
1.4 |
||||||
|
金属密封 |
0.4 |
||||||||
|
450 |
软密封 |
0.2 |
0.8 |
||||||
|
金属密封 |
0.2 |
||||||||
|
500 |
软密封 |
0.5 |
|||||||
|
金属密封 |
0.1 |
||||||||
注:
1)气源压力按0.5MPa计算;
2)表中允许压差为本公司标准配置值,可根据用户工况选择更大扭矩的执行机构。
表6配用气动活塞式执行机构(单作用)允许压差(单位:MPa)
|
DN (mm) |
执行机构 |
GTX |
79B |
HG |
|||||||||||
|
83 |
92 |
110 |
118 |
127 |
160 |
210 |
254 |
300 |
575 |
740 |
1150 |
490 |
600 |
||
|
扭矩(Nm) |
30 |
36 |
46 |
63 |
100 |
200 |
420 |
700 |
1288 |
1988 |
2560 |
4000 |
7600 |
15000 |
|
|
50 |
软密封 |
1.0 |
2.0 |
||||||||||||
|
金属密封 |
0.5 |
1.0 |
1.8 |
||||||||||||
|
65 |
软密封 |
0.6 |
1.1 |
2.5 |
|||||||||||
|
金属密封 |
0.2 |
0.6 |
1.0 |
1.6 |
|||||||||||
|
80 |
软密封 |
0.4 |
1.0 |
2.0 |
|||||||||||
|
金属密封 |
0.4 |
0.8 |
1.2 |
||||||||||||
|
100 |
软密封 |
0.6 |
1.0 |
2.0 |
|||||||||||
|
金属密封 |
0.3 |
0.8 |
1.6 |
||||||||||||
|
125 |
软密封 |
0.4 |
0.9 |
2.0 |
|||||||||||
|
金属密封 |
0.4 |
1.0 |
1.6 |
||||||||||||
|
150 |
软密封 |
0.4 |
1.0 |
2.2 |
|||||||||||
|
金属密封 |
0.3 |
1.0 |
2.0 |
||||||||||||
|
200 |
软密封 |
0.2 |
0.6 |
1.6 |
|||||||||||
|
金属密封 |
0.2 |
0.8 |
1.6 |
||||||||||||
|
250 |
软密封 |
0.2 |
1.2 |
2.5 |
|||||||||||
|
金属密封 |
0.3 |
0.6 |
2.0 |
||||||||||||
|
300 |
软密封 |
0.6 |
1.4 |
2.5 |
|||||||||||
|
金属密封 |
0.2 |
0.6 |
1.6 |
||||||||||||
|
350 |
软密封 |
0.6 |
1.1 |
2.2 |
|||||||||||
|
金属密封 |
0.2 |
0.6 |
1.2 |
||||||||||||
|
400 |
软密封 |
0.2 |
0.8 |
2.0 |
|||||||||||
|
金属密封 |
0.1 |
0.6 |
1.0 |
1.6 |
|||||||||||
|
450 |
软密封 |
0.6 |
1.2 |
2.0 |
|||||||||||
|
金属密封 |
0.2 |
0.6 |
1.6 |
||||||||||||
|
500 |
软密封 |
0.2 |
0.6 |
1.6 |
2.0 |
||||||||||
|
金属密封 |
0.3 |
0.6 |
1.2 |
2.0 |
|||||||||||
|
600 |
软密封 |
0.4 |
0.1 |
1.3 |
1.8 |
||||||||||
|
金属密封 |
0.3 |
0.6 |
1.6 |
||||||||||||
|
700 |
软密封 |
, |
0.6 |
1.2 |
2.1 |
||||||||||
|
金属密封 |
0.2 |
0.8 |
2.0 |
||||||||||||
|
800 |
软密封 |
0.3 |
0.8 |
1.8 |
|||||||||||
|
金属密封 |
0.4 |
1.2 |
|||||||||||||
|
900 |
软密封 |
0.5 |
1.2 |
2.2 |
|||||||||||
|
金属密封 |
0.2 |
0.8 |
|||||||||||||
|
1000 |
软密封 |
0.8 |
1.9 |
||||||||||||
|
金属密封 |
0.1 |
0.6 |
|||||||||||||
|
1200 |
软密封 |
0.8 |
|||||||||||||
|
金属密封 |
0.2 |
||||||||||||||
表7配用气动活塞式执行机构(双作用)允许压差(单位:MPa)
|
DN (mm) |
执行机构 |
GTX |
79B |
HG |
|||||||||||||
|
63 |
75 |
83 |
92 |
110 |
118 |
127 |
160 |
210 |
254 |
255 |
300 |
575 |
740 |
1150 |
600 |
||
|
扭矩(Nm) |
29 |
50 |
70 |
97 |
141 |
210 |
275 |
550 |
1185 |
2175 |
2715 |
3909 |
1988 |
2560 |
11362 |
2000 |
|
|
50 |
软密封 |
1.0 |
2.5 |
||||||||||||||
|
金属密封 |
0.6 |
1.6 |
|||||||||||||||
|
65 |
软密封 |
0.9 |
2.2 |
||||||||||||||
|
金属密封 |
0.2 |
0.6 |
1.0 |
2.0 |
|||||||||||||
|
80 |
软密封 |
0.8 |
2.0 |
||||||||||||||
|
金属密封 |
0.2 |
0.6 |
1.6 |
||||||||||||||
|
100 |
软密封 |
0.2 |
1.0 |
2.2 |
|||||||||||||
|
金属密封 |
0.2 |
0.8 |
1.6 |
||||||||||||||
|
125 |
软密封 |
0.2 |
1.0 |
2.0 |
|||||||||||||
|
金属密封 |
0.2 |
0.6 |
1.6 |
||||||||||||||
|
150 |
软密封 |
0.2 |
1.0 |
1.5 |
2.2 |
||||||||||||
|
金属密封 |
0.4 |
1.0 |
2.5 |
||||||||||||||
|
200 |
软密封 |
0.2 |
0.8 |
1.6 |
2.5 |
||||||||||||
|
金属密封 |
0.2 |
0.6 |
2.0 |
||||||||||||||
|
250 |
软密封 |
0.6 |
1.6 |
2.5 |
|||||||||||||
|
金属密封 |
0.2 |
1.0 |
2.5 |
||||||||||||||
|
300 |
软密封 |
0.2 |
1.2 |
2.2 |
|||||||||||||
|
金属密封 |
0.1 |
0.6 |
2.2 |
||||||||||||||
|
350 |
软密封 |
0.6 |
2.0 |
||||||||||||||
|
金属密封 |
0.4 |
0.8 |
2.0 |
||||||||||||||
|
400 |
软密封 |
0.4 |
1.6 |
2.5 |
|||||||||||||
|
金属密封 |
0.2 |
0.6 |
1.6 |
||||||||||||||
|
450 |
软密封 |
0.3 |
1.0 |
1.8 |
2.2 |
||||||||||||
|
金属密封 |
0.4 |
0.8 |
1.6 |
||||||||||||||
|
500 |
软密封 |
0.8 |
1.7 |
2.0 |
|||||||||||||
|
金属密封 |
0.3 |
0.7 |
1.4 |
2.0 |
|||||||||||||
|
600 |
软密封 |
1.1 |
1.4 |
1.8 |
|||||||||||||
|
金属密封 |
0.2 |
0.8 |
1.2 |
2.0 |
|||||||||||||
|
700 |
软密封 |
0.8 |
1.4 |
2.0 |
|||||||||||||
|
金属密封 |
0.2 |
0.6 |
1.0 |
2.0 |
|||||||||||||
|
800 |
软密封 |
0.2 |
1.8 |
1.2 |
1.8 |
||||||||||||
|
金属密封 |
0.2 |
0.6 |
1.0 |
2.0 |
|||||||||||||
|
900 |
软密封 |
0.2 |
1.8 |
1.1 |
1.8 |
||||||||||||
|
金属密封 |
0.2 |
0.6 |
1.4 |
||||||||||||||
|
1000 |
软密封 |
0.2 |
0.8 |
1.5 |
|||||||||||||
|
金属密封 |
0.4 |
1.0 |
|||||||||||||||
|
1200 |
软密封 |
0.6 |
1.8 |
||||||||||||||
|
金属密封 |
0.4 |
||||||||||||||||
表8配用电动式执行机构允许压差(单位:MPa)
|
DN(mm) |
执行机构 |
ZA-01 |
ZA-02 |
ZA-03 |
ZA-04 |
ZA-05 |
ZA-06 |
ZA-07 |
ZA-08 |
ZA-09 |
ZA-10 |
ZA-11 |
|
扭矩(Nm) |
50 |
100 |
200 |
400 |
600 |
1000 |
2000 |
4000 |
6000 |
10000 |
16000 |
|
|
50 |
软密封 |
2.5 |
||||||||||
|
金属密封 |
1.0 |
|||||||||||
|
65 |
软密封 |
2.0 |
||||||||||
|
金属密封 |
0.8 |
|||||||||||
|
80 |
软密封 |
2.0 |
||||||||||
|
金属密封 |
0.6 |
1.2 |
||||||||||
|
100 |
软密封 |
1.0 |
2.5 |
|||||||||
|
金属密封 |
0.6 |
2.0 |
||||||||||
|
125 |
软密封 |
0.6 |
2.0 |
4.0 |
||||||||
|
金属密封 |
0.3 |
1.4 |
2.5 |
|||||||||
|
150 |
软密封 |
1.0 |
2.0 |
4.0 |
||||||||
|
金属密封 |
0.6 |
2.0 |
||||||||||
|
200 |
软密封 |
0.2 |
0.8 |
2.0 |
||||||||
|
金属密封 |
0.4 |
0.8 |
2.2 |
|||||||||
|
250 |
软密封 |
0.4 |
1.2 |
2.0 |
||||||||
|
金属密封 |
0.2 |
0.6 |
0.8 |
, TD> | ||||||||
|
300 |
软密封 |
0.2k |
0.7 |
1.2 |
2.0 |
|||||||
|
金属密封 |
0.3 |
0.8 |
1.6 |
|||||||||
|
350 |
软密封 |
0.4 |
1.0 |
1.8 |
||||||||
|
金属密封 |
0.4 |
1.0 |
2.5 |
|||||||||
|
400 |
软密封 |
0.4 |
1.4 |
2.2 |
||||||||
|
金属密封 |
0.2 |
0.8 |
2.0 |
|||||||||
|
450 |
软密封 |
0.3 |
0.8 |
1.6 |
2.5 |
|||||||
|
金属密封 |
0.6 |
1.5 |
2.5 |
|||||||||
|
500 |
软密封 |
0.6 |
1.4 |
2.2 |
||||||||
|
金属密封 |
0.4 |
1.2 |
2.0 |
|||||||||
|
600 |
软密封 |
1.0 |
1.8 |
3.0 |
||||||||
|
金属密封 |
0.2 |
0.6 |
1.6 |
|||||||||
|
700 |
软密封 |
0.6 |
1.4 |
2.2 |
||||||||
|
金属密封 |
0.2 |
0.6 |
1.6 |
2.2 |
||||||||
|
800 |
软密封 |
0.6 |
1.3 |
2.2 |
||||||||
|
金属密封 |
0.2 |
0.6 |
1.5 |
|||||||||
|
900 |
软密封 |
0.5 |
1.0 |
1.8 |
2.5 |
|||||||
|
金属密封 |
0.3 |
1.0 |
||||||||||
|
1000 |
软密封 |
0.6 |
1.3 |
1.8 |
||||||||
|
金属密封 |
0.1 |
0.8 |
||||||||||
|
1200 |
软密封 |
0.5 |
1.2 |
|||||||||
|
金属密封 |
0.2 |
■ 外形尺寸及重量
a、连接尺寸及标准
连接方式:对夹式
法兰标准: PN6钢制法兰按 GB/9119.6-88、
PN10钢制法兰按 GB/9119.7-88、
PN10钢制法兰按 GB/9119.8-88、
PN10钢制法兰按 GB/9119.19-88、
﹡ 连接方式、阀体法兰端面距可按用户指定的标准制造。
如:ANSI、DIN、JIS等标准。
b、气动薄膜式蝶阀外形尺寸及重量
单位:%
|
公称通径 |
B |
L |
L1 |
H1 |
H2 |
H |
A |
重量 |
气源接口 |
|
|
软密封 |
硬密封 |
|||||||||
|
50 |
43 |
43 |
280 |
75 |
70 |
160 |
480 |
308 |
12 |
M16×1.5 |
|
65 |
49 |
49 |
290 |
90 |
80 |
160 |
490 |
308 |
14 |
|
|
80 |
56 |
64 |
312 |
100 |
90 |
160 |
500 |
308 |
15 |
|
|
100 |
60 |
64 |
340 |
120 |
100 |
160 |
530 |
308 |
16 |
|
|
125 |
64 |
70 |
368 |
135 |
115 |
230 |
574 |
394 |
17 |
|
|
150 |
70 |
76 |
405 |
150 |
115 |
230 |
595 |
394 |
19 |
|
|
200 |
76 |
89 |
465 |
190 |
145 |
300 |
780 |
498 |
37 |
|
|
250 |
82 |
114 |
540 |
215 |
145 |
300 |
800 |
498 |
56 |
|
|
300 |
90 |
114 |
600 |
240 |
180 |
400 |
990 |
618 |
59 |
|
|
350 |
96 |
127 |
640 |
270 |
180 |
400 |
1025 |
618 |
73 |
|
|
400 |
102 |
140 |
700 |
295 |
220 |
400 |
1150 |
618 |
96 |
|
|
450 |
114 |
152 |
780 |
330 |
260 |
400 |
1200 |
618 |
135 |
|
|
500 |
127 |
152 |
840 |
375 |
300 |
400 |
1300 |
618 |
156 |
|
c、气动活塞式蝶阀外形尺寸及重量(单作用)
单位:mm
|
公称通径 |
H |
H1 |
H2 |
H3 |
B |
L0 |
重量 |
气源接口 |
|
|
软密封 |
硬密封 |
||||||||
|
50 |
380 |
75 |
174 |
137 |
43 |
43 |
203 |
15 |
G1/8″ |
|
65 |
430 |
90 |
200 |
160 |
49 |
49 |
216 |
16 |
G1/4″ |
|
80 |
455 |
100 |
220 |
160 |
56 |
64 |
216 |
18 |
|
|
100 |
490 |
120 |
255 |
160 |
60 |
64 |
284 |
20 |
|
|
125 |
558 |
135 |
295 |
180 |
64 |
70 |
290 |
24 |
|
|
150 |
648 |
150 |
330 |
228 |
70 |
76 |
368 |
33 |
|
|
200 |
716 |
190 |
385 |
285 |
76 |
89 |
450 |
45 |
|
|
250 |
882 |
215 |
460 |
332 |
82 |
114 |
593 |
72 |
|
|
300 |
906 |
240 |
505 |
332 |
90 |
114 |
662 |
78 |
|
|
350 |
1086 |
270 |
570 |
390 |
96 |
127 |
683 |
89 |
|
|
400 |
1156 |
285 |
610 |
390 |
102 |
140 |
683 |
162 |
|
|
450 |
1400 |
330 |
690 |
420 |
114 |
152 |
1378 |
173 |
M16×1.5 |
|
500 |
1500 |
375 |
770 |
420 |
127 |
152 |
1378 |
185 |
|
|
600 |
1600 |
450 |
890 |
440 |
154 |
178 |
2500 |
276 |
|
|
700 |
1702 |
490 |
1080 |
440 |
165 |
229 |
2500 |
305 |
|
|
800 |
1900 |
540 |
1150 |
560 |
190 |
241 |
3200 |
375 |
|
|
900 |
2000 |
600 |
1270 |
560 |
203 |
241 |
3200 |
450 |
|
|
1000 |
2250 |
660 |
1350 |
700 |
216 |
300 |
3800 |
1050 |
|
|
1200 |
2500 |
780 |
1600 |
700 |
254 |
360 |
3800 |
1180 |
|
d、气动活塞式蝶阀外形尺寸及重量(双作用)
单位:mm
|
公称通径 |
H |
H1 |
H2 |
H3 |
B |
L0 |
重量 |
气源接口 |
|
|
软密封 |
硬密封 |
||||||||
|
50 |
380 |
75 |
174 |
137 |
43 |
43 |
203 |
15 |
G1/8″ |
|
65 |
430 |
90 |
200 |
160 |
49 |
49 |
216 |
16 |
G1/4″ |
|
80 |
455 |
100 |
220 |
160 |
56 |
64 |
216 |
18 |
|
|
100 |
490 |
120 |
255 |
160 |
60 |
64 |
284 |
20 |
|
|
125 |
558 |
135 |
295 |
180 |
64 |
70 |
290 |
24 |
|
|
150 |
648 |
150 |
330 |
228 |
70 |
76 |
368 |
33 |
|
|
200 |
716 |
190 |
385 |
285 |
76 |
89 |
450 |
45 |
|
|
250 |
882 |
215 |
460 |
332 |
82 |
114 |
593 |
72 |
|
|
300 |
906 |
240 |
505 |
332 |
90 |
114 |
662 |
78 |
|
|
350 |
1086 |
270 |
570 |
390 |
96 |
127 |
683 |
89 |
|
|
400 |
1156 |
285 |
610 |
390 |
102 |
140 |
683 |
162 |
|
|
450 |
1400 |
330 |
690 |
420 |
114 |
152 |
1378 |
173 |
M16×1.5 |
|
500 |
1500 |
375 |
770 |
420 |
127 |
152 |
1378 |
185 |
|
|
600 |
1600 |
450 |
890 |
440 |
154 |
178 |
2500 |
276 |
|
|
700 |
1702 |
490 |
1080 |
440 |
165 |
229 |
2500 |
305 |
|
|
800 |
1900 |
540 |
1150 |
560 |
190 |
241 |
3200 |
375 |
|
|
900 |
2000 |
600 |
1270 |
560 |
203 |
241 |
3200 |
450 |
|
|
1000 |
2250 |
660 |
1350 |
700 |
216 |
300 |
3800 |
1050 |
|
|
1200 |
2500 |
780 |
1600 |
700 |
254 |
360 |
3800 |
1180 |
|
e、电动蝶阀外形尺寸及重量
单位:mm
|
公称通径DN |
H |
H1 |
H2 |
B |
L0 |
重量(kg) |
|
|
软密封 |
硬密封 |
||||||
|
50 |
370 |
75 |
174 |
43 |
43 |
158 |
17 |
|
65 |
420 |
90 |
200 |
49 |
49 |
158 |
18 |
|
80 |
460 |
100 |
220 |
56 |
64 |
158 |
19 |
|
100 |
490 |
120 |
255 |
60 |
64 |
207 |
21 |
|
125 |
560 |
135 |
295 |
64 |
70 |
207 |
23 |
|
150 |
660 |
150 |
330 |
70 |
76 |
258 |
31 |
|
200 |
790 |
190 |
385 |
76 |
89 |
256 |
38 |
|
250 |
980 |
215 |
460 |
82 |
114 |
380 |
57 |
|
300 |
1060 |
240 |
505 |
90 |
114 |
380 |
65 |
|
350 |
1150 |
270 |
570 |
96 |
127 |
380 |
76 |
|
400 |
1230 |
285 |
610 |
102 |
140 |
680 |
265 |
|
450 |
1350 |
330 |
690 |
114 |
152 |
680 |
305 |
|
500 |
1500 |
375 |
770 |
127 |
152 |
680 |
350 |
|
600 |
1650 |
450 |
890 |
154 |
178 |
850 |
425 |
|
700 |
1800 |
490 |
1080 |
165 |
229 |
850 |
450 |
|
800 |
1950 |
540 |
1150 |
190 |
241 |
850 |
480 |
|
900 |
2100 |
600 |
1270 |
203 |
241 |
920 |
540 |
|
1000 |
2300 |
660 |
1350 |
216 |
300 |
920 |
1330 |
|
1200 |
2600 |
780 |
1600 |
254 |
360 |
920 |
1460 |