
用途
本蝶阀采用三偏心多层次金属密封结构 , 无机械磨损,可达到零泄漏,有优良的双向密封功能 , 是用于石油、化工、冶金、电力、食品、医药、给排水、气体输送等不同介质的管路上作调节流量、截断或接通流体的最佳装置。
选用不同的材质,可分别适用于水、污水、海水、空气、蒸汽、煤气、可燃气体、腐蚀性介质、油品及食品等介质,最高工作温度可达 600 ℃ 。
产品特点
三偏心结构:阀杆轴线与蝶板密封面间偏置一个尺寸 A ,并与阀体通道轴线偏置一个尺寸 B ,阀座回转轴线与阀体通道轴线形成一个偏心角 α ,故形成三偏心。蝶阀从 0° ~ 90° 开启时,蝶板密封面会在开启的瞬间立即脱离阀座密封面,在其 90° ~ 0° 关闭时,只有在关闭的瞬间,其蝶板圆锥形密封面才会接触并压紧阀座圆锥形密封。所以阀座与蝶板上的密封面之间无任何摩擦,去除了磨损和泄漏的可能性。
扭矩密封:三偏心的结构使蝶阀关闭时,其密封副两密封面之间的密封比压由外加于阀杆的驱动力矩产生。不仅消除了常规弹性阀座弹性材料老化、冷流、弹性失效等因素造成的密封比压降低和消失,而且可以通过外加驱动力矩的改变,实现对其密封比压的任意调整,从而使三偏心蝶阀的密封性能改善,蝶阀的使用寿命也大大提高。
软硬层叠式金属密封结构:蝶板密封圈采用软硬层叠式不锈钢片和柔性石墨板的密封面,使其具有金属硬密封和弹性密封的双重优点,无论在低温和高温工况下均具有优良的密封性能。
双向密封:因密封面锥角小于密封材料的磨擦角,蝶板关到密封位置时立即实现自锁,并能承受一定的反向压力冲击。
防火结构:全金属结构本身具有火灾安全的特性。
阀体密封面:采用堆焊硬质合金或不锈钢,使得密封面强度高、硬度好、耐磨损,可连续启闭 60000 次以上而无损伤。
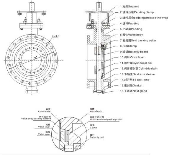
密封圈:密封圈由压板夹在蝶板上,易于安装、调节和更换。
阀杆的上、下部位装有轴套,防止磨损和粘连,提高了使用寿命。
该产品操作灵活、省力、方便、可靠,连接方式有法兰、对夹、对焊、凸耳对夹。既可截断介质,也可任意调节介质流量。
密封副原理
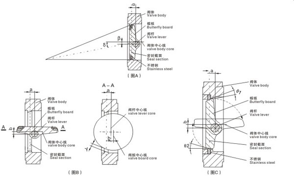
蝶板的回转中心 ( 即阀杆的中心 ) 与蝶板密封截面偏置一个尺寸 α ,并与阀体通道轴线偏置一个尺寸 β ,阀座回转轴线与阀体通道轴线形成一
由于在双偏心密封蝶阀的基础上,将阀座回转轴线与阀体通道轴线形成一个 δ 角。其偏心结果由图B的A-A剖视图可见,当三偏心密封蝶阀完全处于开启状态时,其蝶板密封面会完全脱离阀座密封面并在蝶板密封面与阀体密封面之间形成一个间隙 γ 。由图C可见,由于 δ 角偏置的形成会使长、短半径转动的蝶板大、小半圆粘,蝶板密封转动轨迹的切线与阀座密封面形成一个 θ 1角和 θ2 角。使蝶阀启闭时蝶板密封面渐出脱离和渐入压紧。从而彻底消除了蝶阀启闭时间蝶阀两密封面之间的机械磨损和擦伤。
本系列蝶阀从 0°~90° 开启时,蝶板的密封面会在开启的瞬间立即脱离阀座密封面,在其 90°~0° 关闭时的瞬间,其蝶板密封面才会接触并压紧阀座密封面。由图C可见,由于 θ 1角和 θ2 角的形成,使蝶阀关闭时,其密封副两密封面之间的密封比压,由外加于阀杆的驱动力矩产生。不仅消除了常规偏心蝶阀中因弹性阀座弹性材料老化、冷流、弹性失效等因素造成的密封比压降低和消失,而且可以通过外加驱动力矩的改变,实现对其密封比压的任意调整,从而使三偏心密封蝶阀的密封性能改善.
· 阀体材料 碳钢 (WCB 、 WCC 、 LCB) 铬钼钢 (WC5 、 WC6 、 WC9) 合金钢
不锈钢 (CF3 、 CF8 、 CF3M 、 CF8M 、 ZG1Cr18Ni9Ti 、 ZG1Cr18Ni12Mo2Ti)
·内件材料 不锈钢 (1Cr13 、 2Cr13 、 1Cr18Ni9 、 1Cr18Ni9Ti 、 1Cr18Ni12Mo2Ti 、 304 、 316 、 304L 、
316L) 碳钢 铬钼钢 特殊钢
·连接形式 法兰、对夹、对焊、凸耳对夹
·驱动方式 手动、蜗轮传动、电动、 气动、液动、电液联动等
主要外形和连接连接尺寸 ( 法兰式 )