
■ 概述
ZDJR系列电动O型调节球阀是一种转角为90°的旋转类调节阀,密封性能优良,流通能力大,流阻系数小.结构简单、维修方便、使用寿命长,配用DKJ-Ⅱ、Ⅲ执行器引配日本工装、西德欧姆龙等高性能执行机构。产品通常用于密封要求严格的场合,除控制气体、液体、蒸汽介质外.还适宜控制污水和含有纤维性杂质的介质,广泛应用于石油、化工、冶金、轻工、造纸、电站、制冷等工业领域。
■ 主要技术参数和性能
|
公称通径DN |
15 |
20 |
25 |
32 |
40 |
50 |
65 |
80 |
100 |
125 |
150 |
200 |
250 |
300 |
350 |
400 |
|
额定流量系数Kv |
17 |
33 |
62 |
95 |
146 |
232 |
350 |
439 |
810 |
1205 |
1912 |
3014 |
4306 |
6540 |
8750 |
11800 |
|
公称压力 |
PN1.6,6.4MPa |
|||||||||||||||
|
连接型式 |
法兰连接,按JB79-59标准 |
|||||||||||||||
|
球阀转角 |
90° |
|||||||||||||||
|
阀体材料 |
铸钢,铸不锈钢 |
|||||||||||||||
|
适用温度 |
常温型-40℃~180℃;高温型-40℃~450℃ |
|||||||||||||||
|
执行机构 |
DKJ-Ⅱ、Ⅲ型PSAUTOMATION CMBH、LNAR-KOSO、Unic-Z电动执行机构 |
|||||||||||||||
|
输入信号 |
0~10mA 4~20mA 1-5V Dc |
|||||||||||||||
|
基本误差 |
≤全行程的±2.5% |
|||||||||||||||
|
回差 |
≤全行程的2% |
|||||||||||||||
|
死区 |
≤全行程的3.0% |
|||||||||||||||
|
泄漏量 |
软密封:JB/T7387-94表2中的V级 硬密封:JB/T7387-94表2中的Ⅵ级 |
|||||||||||||||
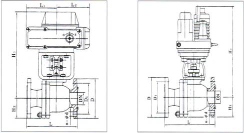
■ 外形及连接尺寸

ZDJR-16型
|
公称通径DN |
L |
H1 |
H2 |
D |
D1 |
n-d |
|
25 |
150 |
470 |
58 |
115 |
85 |
4-14 |
|
32 |
165 |
490 |
68 |
135 |
100 |
4-18 |
|
40 |
180 |
500 |
73 |
145 |
110 |
4-18 |
|
50 |
200 |
620 |
80 |
160 |
125 |
4-18 |
|
65 |
220 |
630 |
90 |
180 |
145 |
4-18 |
|
80 |
240 |
650 |
98 |
195 |
160 |
8-18 |
|
100 |
280 |
685 |
120 |
215 |
180 |
8-18 |
|
125 |
320 |
730 |
140 |
245 |
210 |
8-18 |
|
150 |
360 |
880 |
167 |
280 |
240 |
8-23 |
|
200 |
450 |
970 |
210 |
335 |
295 |
12-23 |
|
250 |
600 |
1020 |
335 |
405 |
355 |
12-25 |
|
300 |
700 |
1310 |
385 |
460 |
410 |
12-25 |
|
350 |
800 |
1355 |
420 |
520 |
470 |
16-25 |
|
400 |
900 |
1405 |
470 |
580 |
525 |
16-30 |
电子式内伺服ZDJR-16型
|
公称通径DN |
PSAUTOMATION CMBH |
LNAR-KOSO |
Unic-Z |
||||||
|
H1 |
L1 |
L2 |
H1 |
L1 |
L2 |
H1 |
L1 |
L2 |
|
|
25 |
358 |
182 |
90 |
291 |
56 |
225 |
247 |
98 |
110 |
|
32 |
376 |
182 |
90 |
309 |
56 |
225 |
265 |
98 |
110 |
|
40 |
384 |
182 |
90 |
317 |
56 |
225 |
273 |
98 |
110 |
|
50 |
443 |
182 |
90 |
376 |
56 |
225 |
332 |
98 |
110 |
|
65 |
531 |
210 |
105 |
426 |
56 |
255 |
357 |
123 |
133 |
|
80 |
561 |
210 |
105 |
441 |
56 |
255 |
379 |
123 |
133 |
|
100 |
654 |
252 |
131 |
461 |
56 |
255 |
379 |
123 |
133 |
|
125 |
701 |
252 |
131 |
560 |
68 |
270 |
426 |
123 |
133 |
|
150 |
721 |
252 |
131 |
580 |
68 |
270 |
|||
|
200 |
791 |
252 |
131 |
705 |
80 |
335 |
|||
|
250 |
|||||||||
|
300 |
|||||||||
|
350 |
|||||||||
|
400 |
|||||||||
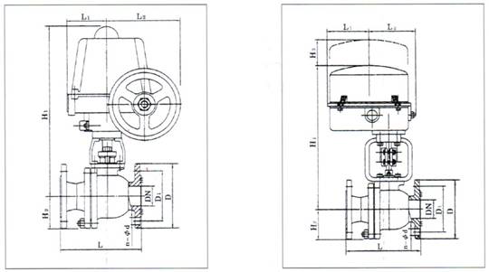
ZDJR-64型
|
公称通径DN |
L |
H1 |
H2 |
D |
D1 |
n-d |
|
15 |
130 |
460 |
53 |
105 |
75 |
4-14 |
|
20 |
140 |
465 |
63 |
125 |
90 |
4-18 |
|
25 |
150 |
470 |
68 |
135 |
100 |
4-18 |
|
32 |
165 |
490 |
75 |
150 |
110 |
4-23 |
|
40 |
180 |
500 |
83 |
165 |
125 |
4-23 |
|
50 |
200 |
620 |
88 |
175 |
135 |
4-23 |
|
65 |
220 |
646 |
100 |
200 |
160 |
8-23 |
|
80 |
240 |
781 |
105 |
210 |
170 |
8-23 |
|
100 |
280 |
804 |
153 |
250 |
200 |
8-25 |
|
125 |
320 |
925 |
186 |
295 |
240 |
8-30 |
|
150 |
360 |
955 |
211 |
340 |
280 |
8-34 |
|
200 |
450 |
1070 |
235 |
405 |
345 |
12-34 |
|
250 |
600 |
1280 |
335 |
470 |
400 |
12-41 |
|
300 |
700 |
1330 |
390 |
530 |
460 |
16-41 |
|
350 |
800 |
1375 |
425 |
595 |
525 |
16-41 |
|
400 |
900 |
1425 |
498 |
670 |
585 |
16-48 |
■ 订货须知
订货时请注明:
1、产品型号
2、公称通径
3、公称压力
4、输入信号
5、阀体和阀内组件材料
6、适用温度
7、法兰连接形式
8、是否带附件