
■ 概述
偏心旋转阀又叫凸轮挠曲阀。我公司在参考国内外偏心阀和V形球阀的优点上,依照用户使用需要,于近年开发的一种新型旋转阀。
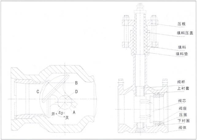
偏心旋转阀实际上是一种弓形截球体球阀。由于该阀存在凸轮偏心,使气动装置在带动阀关闭件从开启到关闭过程中,作用在阀座上的密封力逐渐增加,使阀门关闭件的球形表面与阀座密封面由完全脱离至接触,并逐渐增大其密封比压,直至完全密封,反之亦然。这就大大改善了普通球阀的密封状况和密封效果,为在球阀上使用硬质密封材料(如各种金属及硬质合金等)创造了有利条件,并且为在高温高压以磨损严重的场合使用球阀开辟了路径。此外,该阀由于采用了弓形截球体及对夹式连接,省去了一对法兰,所以重量轻。另外该阀流通能力大,比单座和双座式调节阀分别大50%和20%以上。该阀调节性能好,流量特性为修正等百分比(介于等百分比和线性之间)。因此偏心旋转阀已大量用作调节阀使用,还当作耐冲刷耐磨蚀应用于含固体物料及高温、高压场合。
■ 制造特点
·填料函采用球阀类似结构,密封效果比直行程阀好得多。流经阀门的介质易于被填料密封。
·流路简单、流畅、流阻小,且正反方向都可以。
·使用温度范围大。阀体与阀盖整体铸造。若采用长颈阀盖,加上散热片,使用温度可为-40~450℃(此时阀座采用金属密封)。
·可调比大。阀芯与阀座完全闭合后定位(注意:装配或维修阀芯时,阀芯与两轴之间要有一定的间隙), 而后再用压圈、锁圈固定。此时由于阀芯与阀座紧密接触,阀杆产生挠曲变形,迫使阀芯紧压在阀座上。故可以调节的最小流量值小。可调比为R=100。
·阀芯在开启或闭合的过程中,不像O形球阀那样阀芯与阀座始终紧密接触,故在同样工况下要求执行机构的力矩小。不但节能而且对阀芯与阀座磨损小。
·阀芯与阀座闭合瞬间有剪切作用,可以切断介质纤维,自动扫清阀座上固体颗粒,故偏心旋转阀特别可用在含纤维、固体颗粒及不清洁的介质中。
■ 规格与技术参数
|
通径 |
25 |
40 |
50 |
65 |
80 |
100 |
125 |
150 |
200 |
250 |
300 |
|
Kv |
12 |
30 |
58 |
75 |
120 |
190 |
300 |
480 |
930 |
1200 |
1900 |
|
公称压力 |
PN6.4MPa |
||||||||||
|
流量特性 |
修正等百分比 |
||||||||||
|
温度℃ |
常温型-20~180;中温型-40~450 |
||||||||||
|
允许压差 |
6.4 |
6.4 |
5.2 |
6.4 |
5.4 |
3.25 |
2.5 |
1.5 |
1.2 |
1.0 |
0.8 |
|
泄漏量等级 |
软密封Ⅵ级 硬密封Ⅳ级(GB/T4213-92) |
||||||||||
|
阀芯转角 |
50° |
||||||||||
|
气源压力 |
0.40~0.6MPa |
||||||||||
■ 主要零件材料
|
零件名称 |
材料 |
零件名称 |
材料 |
|
阀体 |
ZG230-450 |
阀座 |
增强聚四氟乙烯 |
|
阀轴 |
2Cr13、1Cr18Ni9Ti |
支架 |
ZG230-450 |
|
阀芯 |
ZG230-450 |
填料 |
聚四氟乙烯 |
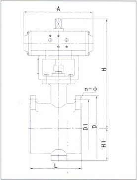
■ 外形尺寸(mm)
|
DN |
A |
L |
H1 |
D |
D1 |
N-φ |
H |
|
25 |
255 |
100 |
70 |
140 |
100 |
4-18 |
250 |
|
32 |
115 |
80 |
155 |
110 |
4-23 |
250 |
|
|
40 |
115 |
85 |
170 |
125 |
4-23 |
290 |
|
|
50 |
125 |
90 |
180 |
135 |
4-23 |
290 |
|
|
65 |
377 |
143 |
105 |
205 |
160 |
8-23 |
350 |
|
80 |
165 |
110 |
215 |
170 |
8-23 |
350 |
|
|
100 |
195 |
130 |
250 |
200 |
8-24 |
420 |
|
|
125 |
403 |
210 |
150 |
295 |
240 |
8-30 |
460 |
|
150 |
230 |
150 |
345 |
280 |
8-32 |
480 |
|
|
200 |
245 |
160 |
405 |
345 |
12-32 |
510 |
|
|
250 |
300 |
240 |
470 |
400 |
12-38 |
620 |
|
|
300 |
616 |
340 |
270 |
530 |
460 |
16-38 |
700 |
法兰标准:JB/T79-94,PN6.4MPa,连接方式:对夹(可根据用户要求特殊制造)
■ 选配附件
·电气阀门定位器、空气过滤减压器(气源处理三联件)
·电磁阀(电压、是否防爆)
·限位开关(回讯器)、阀位传送器
·保位阀
·手轮
■ 型号编制说明
Z:执行器大类 S:气动活塞式 RF:偏心凸轮挠曲阀,即偏心旋转阀
■ 订货须知
·产品名称、型号
·公称通径、公称压力、介质名称、介质工作温度
·阀门作用方式:气开或气关
·执行机构类型:双作用还是单作用(弹簧复位),是国产还是进口,是否要带手轮
·阀体、阀内件材料要求
·其它配套附件