杭州富阳蓝诺调节阀有限公司
地址:浙江省杭州富阳区大源镇下郎路17号
电话:0571-63599197
传真:0571-56534899
手机:15325810469
联系人:何先生
QQ:260985443
邮箱:zjlntjf@163.com
球阀系列 您现在的位置:首页 > 产品展示
ZSHV系列气动V型调节球阀
详细介绍

 

 

■ 概述

      ZSHV型系列气动V型球阀,球芯呈V型状,可实现线性调节,可调范围大。当阀门关闭时,V形缺口与阀座之间产生楔形剪切作用,具有自洁功能又可防止球芯卡死,特别适用于管线结垢冻结场合。适宜于控制纸浆、污水,含有纤维和颗粒固体悬浊介质及粉粒状介质。配用齿轮齿条式执行机构。结构简单,输出力矩大。本系列球阀按密封性能分为软密封和硬密封;按调节方式分为调节型和切断型,切断型按作用型分为单作用式和双作用式,调节型为双作用式。单作用式的独特优点是一旦动力源发生故障,球阀将按控制系统的要求自动处于开启或关闭位置。产品广泛应用于化工、石油、轻纺、电力、食品、制药、造纸、航空航天等控制领域中。

 

■ 主要技术参数和性能

型式

直通式铸造球阀

公称通径DN

25

32

40

50

65

80

100

125

150

200

250

300

350

400

阀座直径

20

26

33

40

53

66

86

104

128

170

212

255

300

340

额定流量系数Kv

25

36

63

100

184

280

400

600

950

1540

2500

3900

6150

9800

公称压力PN

PN1.6, 6.4MPa

泄漏量

软密封:≤1.8×10-7×△P×DN.l/h(试验介质为液体:式中△P为压差)
硬密封:≤10-4×阀额定容量.l/h(阀额定容量的计算见附表)

气源压力

0.4~0.6MPa

连接形式

对夹式、法兰式、管道法兰按JB79-59标准

适用温度

软密封-40~+180℃ 硬密封-40~+450℃

球芯转角

水、石油、硝酸类、醋酸类、粘性流体、浆料、强氧化性介质等

流量特性

近似等百分比(典型曲线圈见附录)

阀体材质

铸钢、铸不锈钢

球芯型式

部分球带有V形缺口

阀座材料

聚四氟乙烯、不锈钢司钛莱硬合金

基本误差

≤全行程的±2%(带定位器)

回差

≤全行程的2.0%(带定位器)

死区

≤全行程的0.8%(带定位器)

■ 主要配置附件

调节型:电气阀门定位器、空气过滤减压器、手轮机构等
准切断型:空气过滤减压器、电磁阀、阀位开关、手轮机构等

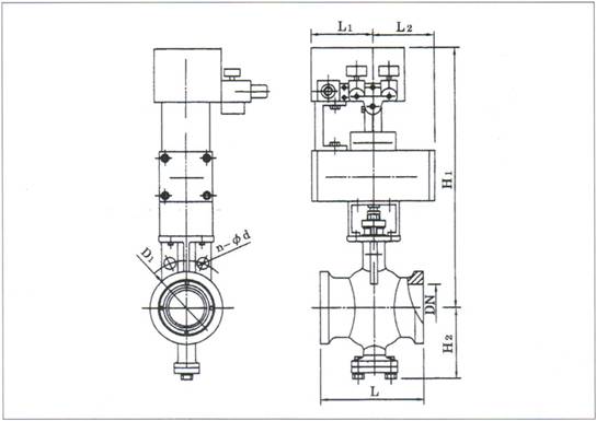
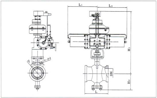
■ 外形及连接尺寸

ZSHV-16型

公称
通径
DN

L

H1

H2

L1

L2

D1

n-d

单作用

双作用

单作用

双作用

单作用

双作用

25

102

388

359

60

125

56

125

56

85

4-14

32

102

396

396

65

125

96

125

96

100

4-18

40

114

406

406

75

125

96

125

96

110

4-18

50

124

484.5

484.5

95

159.5

123.5

159.5

123.5

125

4-18

65

143

526

499.5

105

200.5

123.5

200.5

123.5

145

4-18

80

165

743

536

120

324

150

644

150

160

8-18

100

194

756

549

140

324

150

644

150

180

8-18

125

213

809

773

165

398

324

627

324

210

8-18

150

229

993

793

185

556

324

776

324

240

8-23

200

243

1033

869

205

556

398

776

398

295

12-23

250

297

1080

1073

240

642

540

1016

540

355

12-25

300

338

1117

1113

290

759

540

1294

540

410

12-25

350

380

1326

1155

330

856

632

1399

632

470

16-25

400

420

1361

1190

360

856

632

1399

632

525

16-30

ZSHV-64型

公称通径DN

L

H1

H2

L1

L2

D1

n-d

单作用

双作用

单作用

双作用

单作用

双作用

25

102

451.5

388

60

159.5

96

159.5

96

100

4-18

32

102

499.5

396

65

159.5

96

159.5

96

110

4-23

40

114

496

406

75

324

96

200.5

96

125

4-23

50

124

718

484.5

95

324

123.5

644

123.5

135

4-23

65

143

733

626

105

398

150

644

150

160

8-23

80

165

779

743

120

556

324

627

324

170

8-23

100

194

956

756

140

556

324

776

324

200

8-25

125

213

973

809

165

642

398

776

398

240

8-30

150

229

1000

825

185

759

398

1016

398

285

8-34

200

243

1137

1033

205

759

540

1294

540

345

12-34

250

297

1177

1073

240

856

540

1294

540

400

12-41

300

338

1361

1120

290

632

1399

632

460

16-41

350

380

1252

330

759

759

525

16-41

400

420

1287

360

759

759

585

16-48

■ 订货须知

订货时请注明:
1、产品型号
2、公称通径阀座直径
3、公称压力
4、阀体和阀内组件材料
5、适用温度
6、调节方式
7、双作用或单作用(单作用请注明气开式或气闭式)
8、是否带附件
9、连接型式

杭州富阳蓝诺调节阀有限公司 地址:浙江省杭州富阳区大源镇下郎路17号
电话:0571-63599197 传真:0571-56534899 手机:15325810469 联系人:何先生 QQ:260985443 邮箱:zjlntjf@163.com
版权所有© 2017 杭州富阳蓝诺调节阀有限公司 浙ICP备17008368号
产品导航:气动衬氟蝶阀,电动衬氟单座调节阀,电动笼式双座调节阀,自力式压力调节阀厂家,自力式电控温度调节阀,电动o型切断球阀